气动元件-气缸
X
主页
>
产品中心
>
气动元件-气缸
>
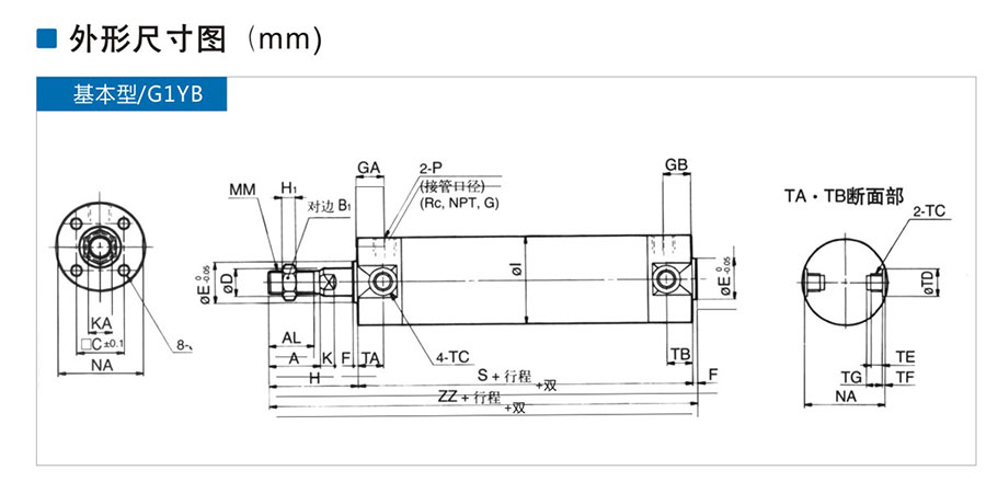
G1Y系列(平稳运动气缸系列)
网站首页
关于我们
产品中心
气动元件-气缸
控制元件
气源处理件
AL旋转阀
摆动阀
薄型闸阀
仓泵
电加热器
翻板阀
方形闸板门
干灰散装机
库顶切换阀
脉冲除尘器
气化槽
手动检修门
SZ型双轴搅拌机
双闸板出料阀
压力真空释放阀
圆顶阀
新闻资讯
公司新闻
行业资讯
工程案例
在线留言
联系我们